skoda.virt.cz
stránky o vozech Škoda 105-136, Rapid, Garde a jejich předchůdcích
Kolisani otacek Fa motor
17:16:23
06.04.2006
06.04.2006

Labros
v Práglu a okolí je LEKR za pětikilo, na vrakáči za litr
16:05:22
06.04.2006
06.04.2006

XFunny
asi jo dneska jsem se na ni ptal a stoji 290Kc, zitra jeste oblitam vrakace a radsi sezenu jiny...
10:45:12
06.04.2006
06.04.2006

Labros
co se jí říká trubka obohacovače
10:40:55
06.04.2006
06.04.2006

Labros
Tak to jsem rád že jsem to nehledal
já bych totiž obohacovač hledal ve víku, tam jak je ta zahnutá měděná trubička 
já bych totiž obohacovač hledal ve víku, tam jak je ta zahnutá měděná trubička 
22:16:07
05.04.2006
05.04.2006

XFunny
-> Labros: uz vim jak se to jmenuje je to obohacovac...
22:01:57
05.04.2006
05.04.2006

XFunny
-> Labros: to nehledej ja stejne nez dat 300Kc za tu picovinu tak radsi na vrakaci dam za karbec 400 i ze sacim....
16:37:29
05.04.2006
05.04.2006

Labros
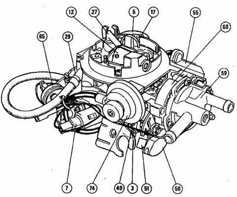
-> XFunny: tak jestli si vzpomenu tak se ve sklepě kouknu na náhradní, ale všechny důležitý věci jsou z týhle strany (v knížce se tenhle obrázek jmenuje důležité systémy karburátoru)
16:33:45
05.04.2006
05.04.2006

XFunny
-> Labros: jo no je to z druhe starany....
14:10:19
05.04.2006
05.04.2006

Labros
-> XFunny: tak teďka se teda fakt dám poddat, nevim co myslíš, já mám zezadu kromě toho termoventilu už jen odbublinkovač, tady dávám nákres lekru jestli můžeš přiblížit kde to přibližně je, ale zadní strana tam vidět není...
07:37:21
05.04.2006
05.04.2006

spartra
co takhle elktromagnet.ventil karburátoru, membrána pumpičky, ucpané podtl.hadičky karburátoru

01:12:47
05.04.2006
05.04.2006

XFunny
-> Labros: ne je to takova jakoby zaslebka na 2 srouby vypada to ja vykonovej tranzistor, zatim je membrana, myslim ze to je akceleracni pumpicka nebo tak neco ...knizku jsem pucil kamosovi tak nevim presny nazev
vetsinou je membranka protrzena...
a kolisani je narazove co 1 sekundu to spadne treba na 300ot a pak zas vylitne na 1000 a zas za vterinu dolu....
na sytic to jede ok nekolisa takze jest to nekde v priprave smesi...
vetsinou je membranka protrzena...
a kolisani je narazove co 1 sekundu to spadne treba na 300ot a pak zas vylitne na 1000 a zas za vterinu dolu....
na sytic to jede ok nekolisa takze jest to nekde v priprave smesi...
13:39:38
04.04.2006
04.04.2006

Labros
-> XFunny: ale máš pravdu, že kdyby třeba na něm nebyla na druhým vývodu záslepka, tak by to přes něj mohlo přisávat falešnej vzduch pod klapku.
13:38:40
04.04.2006
04.04.2006

Labros
-> XFunny: po nastartování se to po několika vteřinách uzavře a to druhý ufo co je k tomu připojený si tím nasaje podtlak zpod klapky a tim stáhne sytič. Takže pokud by se to nedovíralo, tak by to akorát po startu neomezovalo sytič. Při zahřátým motoru to nemá vliv.
13:36:47
04.04.2006
04.04.2006

Labros
-> XFunny: myslíš termoventil? takový to černý ufo a jde do něj hadička a elektrika.
12:41:00
04.04.2006
04.04.2006

XFunny
Ne LPG ani videt
08:47:37
04.04.2006
04.04.2006

Baghira
-> XFunny: Tak jestli to máš na LPG, tak tam je to skoro normální. Dá se to doladit bud bohatostí, nebo zvýšením otáček na 1000 ot. Ale většinou je to buď nižší bohatost, nebo netěsnost na sacím traktu.
08:13:15
04.04.2006
04.04.2006

Ferrari
-> XFunny: no nevim mě to dělá taky a tu kravinu jsem skoušel vyměnit ale bez výsledku!! a ty jezdíš i na lpg?? protože to prý dělají ty karbce co jezdi na lpg!!

00:33:08
04.04.2006
04.04.2006

XFunny
dotaz mam problem z kolisani otacek , kazdopadne je to na karburatoru mam Fa karb, kolisa mi to rychle za sebou od 900 skoro na 300, vim ze to bude ta picovina co je ze zadu na karb na 2 sroubky, u favorita je to z prave strany karb.
nemuze to byt neco jineho ???? Bo ta kravinka stoji kolem 300 kc, tak az to nekupuji zbytecne....
nemuze to byt neco jineho ???? Bo ta kravinka stoji kolem 300 kc, tak az to nekupuji zbytecne....
