
skoda.virt.cz
stránky o vozech Škoda 105-136, Rapid, Garde a jejich předchůdcích
Hydraulická ručka
11:58:53
02.03.2007
02.03.2007

Wena
díky 

10:27:03
02.03.2007
02.03.2007

DuriQ
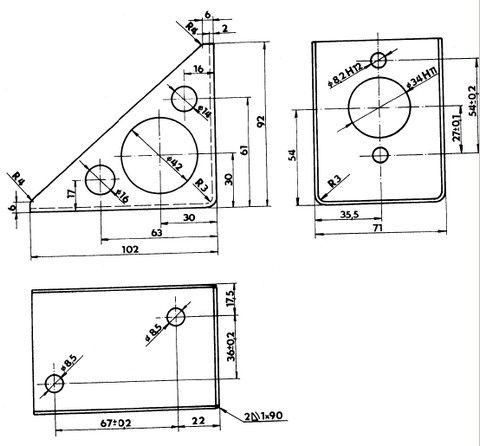
Fén: ale na vykrese mas 2mm
inac konzola je osadena funguje len este to stale nemam cele zapojene tak este raz take male dik 
inac konzola je osadena funguje len este to stale nemam cele zapojene tak este raz take male dik 
00:57:57
02.03.2007
02.03.2007

Fén
Pod 2,5 mm bych nešel.
00:56:19
02.03.2007
02.03.2007

Wena
ještě z jak silného by se to mělo udělat? 3mm?
00:04:04
02.03.2007
02.03.2007

Wena

22:49:01
01.03.2007
01.03.2007

Fén
Takhle by mělo vypadat každé téma. 

22:46:38
01.03.2007
01.03.2007

Fén
Není zač.
22:45:05
01.03.2007
01.03.2007

Wena
dík.
22:41:23
01.03.2007
01.03.2007

Fén
:o)
22:21:26
01.03.2007
01.03.2007

Wena
nemáte někdo k tomuto obrázku rozměry, nikde jsem to nenašel díky.
